Mudflap Bolting Plate, 24" x 1-1/2" (1-pair) #MFW2375
Stock# 1326216
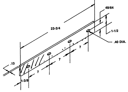
Mudflap bolting plates reinforce the critical bolt hole area of all 24" wide rubber or plastic splash guards. Black powder coat finish provides durability and corrosion resistance.
SUPPLIES LIMITED
$16.75
SKU
1326216
Mudflap bolting plates reinforce the critical bolt hole area of all 24" wide rubber or plastic splash guards. Black powder coat finish provides durability and corrosion resistance. (Sold in pairs)
SUPPLIES LIMITED
Brand
Buyers Products
Manufacturer Part Number
MFW2375
| Product Name | Mudflap Bolting Plate, 24" x 1-1/2" (1-pair) #MFW2375 |
|---|
Write Your Own Review
